|
|
|
| |
| |
|
| |
|
.files/image001.jpg)
|
|
.files/image002.jpg)
|
|
.files/image003.jpg)
|
|
採用高壓燃油泵浦,將燃油高壓霧化並達最佳之燃燒效果。
|
|
適用於不同性質的液體燃料。
|
|
可控制範圍廣,適用於各種熱能設備。
|
|
安裝簡便,維護保養容易。
|
|
|
|
|
.files/image005.jpg)
|
|
Modle
No.
|
Burning Oil Amount
( l/h )
|
Power
|
Motor
(KW)
|
Net Weight
( Kg )
|
Braking Method
|
Remarks
|
|
V
|
O
|
|
LB-20
|
5 - 20
|
220
|
1
|
0.30
|
|
ON / OFF
|
Single-Nozzle
|
|
LB-30
|
13 - 30
|
220
|
1
|
0.40
|
|
ON / OFF
|
Single-Nozzle
|
|
LB-40
|
16 - 40
|
220
|
1
|
0.45
|
|
ON / OFF
|
Single-Nozzle
|
|
LB-40W
|
13 - 50
|
220
|
1
|
0.40
|
|
Two Stage
|
Double-Nozzle
|
|
LB-55
|
25 - 55
|
220 / 380
|
3
|
0.75
|
|
ON / OFF
|
Single-Nozzle
|
|
LB-55W
|
25 - 55
|
220 / 380
|
3
|
0.75
|
|
Two Stage
|
Double-Nozzle
|
|
LB-80
|
25 - 80
|
220 / 380
|
3
|
1.50
|
|
Two Stage
|
Double-Nozzle
|
|
LB-120
|
35 - 120
|
220 / 380
|
3
|
2.20
|
68
|
Two Stage
|
Double-Nozzle
|
|
LB-160
|
80 - 160
|
220 / 380
|
3
|
3.70
|
94
|
Two Stage
|
Double-Nozzle
|
|
LB-200
|
100 - 200
|
220 / 380
|
3
|
3.70
|
94
|
Two Stage
|
Double-Nozzle
|
|
LB-240
|
120 - 240
|
220 / 380
|
3
|
5.50
|
115
|
Two Stage
|
Double-Nozzle
|
|
LB-300
|
150 - 300
|
220 / 380
|
3
|
7.50
|
115
|
Two Stage
|
Double-Nozzle
|
|
|
|
|
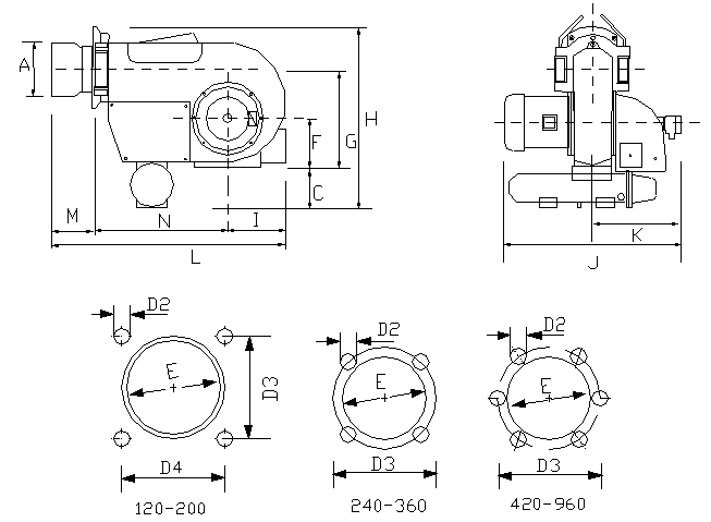
.files/image006.jpg)
|
|
Modle
|
A
|
B
|
C
|
D
|
E
|
F
|
G
|
H
|
I
|
J
|
K
|
L
|
M
|
N
|
|
LB-120
|
154
|
363
|
183
|
210
|
185
|
220
|
373
|
495
|
M10
|
652
|
200
|
686
|
34
|
100
|
|
LB-160
|
196
|
366
|
183
|
235
|
210
|
245
|
415
|
556
|
M10
|
730
|
229
|
764
|
57
|
95
|
|
LB-180
|
196
|
366
|
183
|
235
|
210
|
245
|
415
|
556
|
M10
|
730
|
229
|
764
|
57
|
95
|
|
LB-240
|
235
|
366
|
183
|
235
|
210
|
245
|
415
|
556
|
M10
|
730
|
229
|
764
|
57
|
95
|
|
LB-280
|
240
|
482
|
183
|
330
|
278
|
260
|
482
|
672
|
M12
|
870
|
229
|
945
|
92
|
112
|
|
LB-320
|
265
|
482
|
197
|
330
|
278
|
260
|
482
|
672
|
M12
|
870
|
229
|
945
|
92
|
112
|
|
LB-400
|
325
|
482
|
197
|
400
|
340
|
260
|
482
|
710
|
M10
|
870
|
200
|
949
|
92
|
112
|
|
|
|
|
.files/image007.jpg)
|
|
.files/image008.jpg)
|
|
|
|
|
|